Perforated Metal Styles
- Stainless Steel Staggered Sheet in Coil
- Diamond Hole Perforated Metal Panels
- Embossed Sheet Metal
- Slotted Hole Perforated Sheet
- Perforated Noise Barrier Panels
- Punched Slotted Tubes
- Perforated Acoustic Screen Panels
- Perforated Metal Sunshade Screen
- Perforated Metal Disc Filters
- Perforated Ceiling Panels
- Perforated Diffusers
- Perforated Ducting
- Perforated Louvers
- Checker Plate
- Round Hole Perforated Sheet
- Square Hole Perforated Sheet
- Semi-Circular Hole Metal Sheet
- Triangle Opening Metal Sheet
- Decorative Opening Metal Sheet
Perforated Materials:
- Perforated Sheet in Aluminum Powder Coated Black
- Perforated Metal Plates for Tubes
- Perforated Stainless Steel
- SUS 304 Punched Plate
- Aluminum Perforated Sheet
- Perforated Copper Sheet
- Mild Steel Perforated Metal
Perforated Metal Products
- Perforated Stainless Steel Sheets for Steam Strainers
- Perforated Stainless Steel Sleeves
- Dimple Perforated Sheet Steel Grating
- Stainless Steel Perforated Strainer Basket
- Perforated Stainless Steel Air Curtain Screen
- Perforated Screen Sheet in Stainless Steel
- Perforated Windproof Nets
- Perforated Vent Grille
- Polisher Screen
- Perforated Metal Grader Screen
- Perforated Stainless Steel Milling Screen
- Perforated Angle Bead
- Perforated Plate Sieves
- Slotted Filter Sheet
- Perforated Metal Coils
- Perforated Sheets
- Perforated Panels
- Perforated Metal Screen
- Perforated Steel Tube
- Perforated Filters
- Perforated Grilles
- Speaker Grille
- Perforated SS Tube
- Aluminum Perforated Strips
- Balustrade Panels
- Perforated Panel Railings
- Fire Escape Staircase
- Perforated Rack Panels
- Perforated Architecture Mesh
- Perforated Metal Security Screen
- Perforated Cable Tray
- Perforated Channel Cable Tray
- Checkered Tread Plate
- Embossed Tread Plate
- Aluminum Tread Plate
- Non-slip Stair Tread
- Slotted Liner
- Bridge Slotted Screen Pipe
- Dimple Perforated Plate
- Perforated Floor Plate
- Slotted SS316 Perforated Sheet
- Slotted Aluminum Perforated Sheet
- Ni Hard Perforated Floor Plate
- Diamond Perforated Grip Grating
- Hexagonal Perforated Mesh
Technical Terms:
- Perforated Metal Opening Patterns
- Applications of Perforated Sheet
- Materials Applied for Perforated Metal
- Benefits of Perforated Metal
- Calculation of Sheet Metal Weight
- Open Area Calculation
- Perforated Metal Definition
- Perforated Metal Features
- Terminology of Perforated Metal
Other Sheet Metals
Processing Machines

Dimple Perforated Plate - Anti-Slip Dimple Raised Hole Perforated Steel, SS, Aluminum
Dimple Perforated Plates are punched metal with raised slip-resistant round holes / dimples, also known as Dimple Plates. Anti-skid Dimple Perforated Sheets are ideal for safety treads, steps, flooring and drainage covers. Unlike regular perforated sheets with flat holes, dimple perforated sheet features punched raised dimples that increase surface friction without adding extra weight.
Embossed Pattern:
Circular dimple, semi dimple with raised hole available.
Materials Types
Common materials: mild steel, galvanized steel, aluminum, stainless steel (SS304/SS316).
Stainless Steel Dimple Plate (304 / 316) :
Suitable for food plants, chemical industries, and marine decks.
Steel Perforated Dimpled Plate:
Cost effective, suitable for heavy duty industrial floors, walkways and outdoor ramps.
Aluminum Perforated Dimpled Sheet:
Light weight, rust proof, suitable for vehicles, ramps and architectural panels.
Dimple Perforated Plates -MS, Carbon Steel, Galvanized
Dimpled Perforated Plate x 4' x 8' x 3mm M/S Sheet

Hole size: 3-5mm
Sheet size: 4' x 8' x 3mm
Material: Mild steel
Dimple Perforated Plate - Mild Steel - For Work Platforms

Mild Steel Dimple Plate
Material: Galvanized mild steel
Plate thickness:
2.5mm
Sheet size: 3m x 1.5m (18 off) and 2.5m x 1.5m (8 off)
Dimple Plates - MS and Al - for Forging Machines Operator Platforms
Plate thickness: 4 - 5mm thick
Material:
MS, Aluminum optional
Sheet size: 72 x 96
Dimple Perforated Carbon Steel Sheet
Material: A36 carbon steel
Plate thickness:
3/8
Perforated pattern: With serrated dimples perforated through the plate
Sheet size: 36 x 96
Dimple Perforated Sheets - Cold Rolled Steel
Sheet size: 4' x 10'
Material: Dimpled cold rolled steel
Non skid covers
Sheet thickness: 11gauge
Steel Dimple Perforated Sheets - Safety Steps
For CNC machine
steps
Sheet size: 4ft x 8ft
Sheet thickness: 12 gauge
Anti-Slip Perforated Ladder Rung - SA 36 Carbon Steel
Dimple Plates offer following benefits in ladder rung products:
Embossed dimples create an anti-slip surface, even when wet or oily;
The plates can be cut and formed into round or rectangular rung profiles;
Dimple plates offer good drainage and grip, ideal for factory ladders, maintenance platforms.
Material: SA 36 Carbon Mild Steel
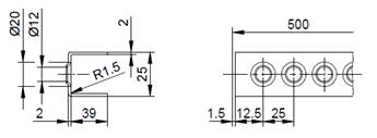
Dimension: 2mm thk x 25mm x 39mm x 500mmLG


Width: 39mm
Height: 25mm
Thickness: 1.5mm
Safety Ladder Step 50 x 40 x 2mm x 2025mm-Mild steel BS EN 10025
Specifications:
Width: 50mm
Height: 40mm
Sheet Thickness: 2mm
Length: 2025mm
Profile: 50 mm × 40 mm C-profile
Materials: Mild steel to BS EN 10025 Grade S275JR
Dimple Perforated Plates - Stainless Steel
304 Stainless Steel Dimple Plate

Stainless dimple plate for outdoor walkway
Strip size: 1500mm x 300mm
Plate thickness: 3mm
Material: SUS 304 Stainless Steel
304 SS Dimple Flooring

Plate thickness: 14 gauge
Sheet size: 36 x 120
Dimpled Sheets 304 Stainless Steel for Jacket Material
Thickness: 12 gauge
Material: 304 stainless steel
Uses: Dimpled jacket material
Dimple size: 2 inch spacing
Sheet size: 72 x 225
Dimple Sheet Jacket SS316

Dimpled Perforated Plates in Aluminum
Dimple Perforated Aluminum Sheet is popularly used in trailer deck / floor, truck grate flooring and truck steps.
Dimpled Aluminum Sheet for Vehicle Steps

Dimped hole: 1 1/2" diameter
Thickness: 1/4"
Material: Aluminum
Use: For
Trucks
Dimple Perforated Plates
Safety Perforated Plate for trailers
Sheet size: 4' x 10'
Plate thickness: 1/2"thick
Dimple Pattern Safety Walkway Panel - Truck Flooring

Dimple Perforated Sheet supplied to UK
Material: Aluminum
Perforated dimple sheets in 4' x 10'
Pattern:
Double Embossed or Single
Anti Slip Dimple Perforated Floor Plate in Aluminium
Sheet size: 2400 x 1200mm
Supply to Australia
For safe flooring
Non slip Perforated Metal Sheet -Aluminum Trailer Decks

Aluminum Dimpled Sheets
Embossed perforated anti skid sheets in Aluminum sheet
Size: 4 ' x 10 '
Dimple size: 1/8
Non slip raised aluminum trailer decking
Supply to India
Car Hauler Utility Trailer Floor
Aluminum Dimpled Hole Plate
Dimple size: Perforated 1/4 inch
Material: Aluminum, with Raised Holes
Custom Dimpled Metal Plate Products
We supply sheets of perforated dimpled plates made with various open areas, hole sizes, gauges, from various grades of metal materials.
Welcome to contact us.
Dimple Plate Features
Anti-skid and slip-resistant;
High load-bearing capacity with reduced weight;
Corrosion and weather resistance for indoor and outdoor use;
Efficient drainage and ventilation;
Easy installation and long service life with minimal maintenance.
Main Industries Served:
Oil & Gas and Petrochemical Plants;
Power Generation and Energy Facilities;
Manufacturing and Processing Plants;
Marine, Shipbuilding and Offshore Platforms;
Chemical and Food Processing Industries;
Vehicles and machines manufacture.